|
Application |
|
Application |
simple evaluation of rotating and linearmovement with regard to underspeed; blocking |
|
Switching function |
output is switched during the start-up delay and if (f actual) is greater than (f preset) |
|
Electrical design |
DC PNP |
|
Switching output |
normally open |
|
Electrical data |
|
Nominal voltage [V] |
10...36 DC |
|
Current consumption [mA] |
< 15 |
|
Reverse polarity protection |
yes |
|
Outputs |
|
Transistor |
|
Current rating (continuous) [mA] |
250 |
|
Current rating (peak) [mA] |
250 |
|
Voltage drop [V] |
< 2.5 |
|
Short-circuit proof |
yes |
|
Overload protection |
yes |
|
Range |
|
Sensing range [mm] |
10 |
|
Correction factors |
mild steel = 1 / stainless steel approx. 0.7 / brass approx. 0.5 / Al approx. 0.4 / Cu
approx. 0.3 |
|
Measuring / setting range |
|
Setting range [pulses/min.] |
5...300 |
|
Adjustment of the switch point |
multiturn potentiometer |
|
Hysteresis [% of Sp] |
10 |
|
Start-up delay [s] |
15 |
|
Reaction times |
|
Damping frequency (max.) [pulses/min] |
15000 |
|
Environment |
|
Ambient temperature [°C] |
-25...80 |
|
Protection |
IP 67 |
|
Safety classification |
|
MTTF [a] |
898 |
|
Mechanical data |
|
Mounting |
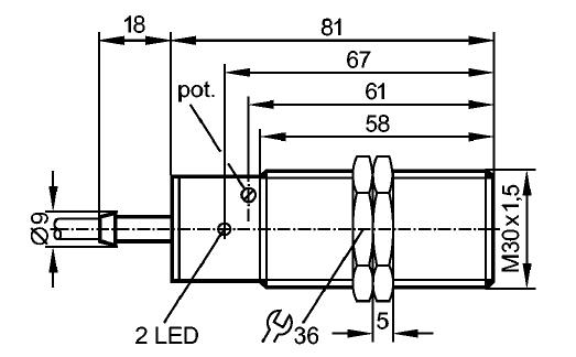
flush mountable |
|
Housing materials |
brass special coating; PBT (Pocan) |
|
Weight [kg] |
0.257 |
|
Displays / operating elements |
|
Input pulses LED |
yellow |
|
Output status indication LED |
green |
|
Electrical connection |
|
Connection |
PVC cable / 2 m; 3 x 0.5 mm² |
|

|
|
Remarks |
|
Pack quantity [piece] |
1 |